| Sign In | Join Free | My tjskl.org.cn |
|
Brand Name : TAMURA
Model Number : BF Series
Certification : ROHS
Place of Origin : China
MOQ : 1000pcs
Price : Negotiable
Payment Terms : T/T, Paypal, Mastercard, Wetern Union, Alipay, etc
Supply Ability : 1000000PCS per Month
Delivery Time : 5-7 work days
Packaging Details : PE bag, Bulk
Product Name : AUPO Metal Thermal Fuse
Rated Current : 10A 15A 16A
Rated Voltage : 250V AC
Temperature Range : 73℃ to 257℃
Leads : Axial Lead
Type : Metal Case Thermal Fuse
Shape : Resistor
Resettable : Non-resettable
Function : Overheating protection
Package : Bulk
BF Series BF-I BFX RY AUPO 10A 15A 16A 250V Non Resettable Metal Case Thermal Protector Fuse
Product Description
AUPO BF series product is non-resettable pellet type thermal fuse which prevents electrical appliances from overheating. It has a metal case with pellet material inside and could be used in high current circuits.
BF Series includes: BF, BF-I, BFX, RY.
Advantages
1. Unique pellet formula technology to ensure stable operation and high precision.
2. Complete product quality management system to ensure high consistency and reliability of products.
3. Metal casing design, high sensitivity to temperature rise.
4. Applicable to overheating protection under 10A-16A circuit.
Working Principle
When ambient temperature rises to its operating temperature, the pellet will melt, and the spring a can be released to push the star contact that there is no contact with the pin, thus cutting off the circuit permanently.


Application Field
BF series products are widely used for overheating protection of household appliances, such as small household appliances, refrigerator, washers, kitchen and bathroom appliances; automotive appliances and office equipment,etc.
Product Certification
BF series products meet the safety test requirements of IEC 60691 Ed 4.0 and GB/T 9816.2013, and many models are certified with UL, VDE, CCC, PSE, KC and other safety approvals.
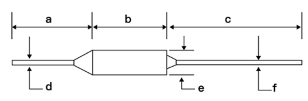
BF AUPO Thermal Fuse


| Model No | a | b | c | d | e | f |
| BF | 20±1.0 | 11±1.0 | 35±1.0 | Ф1.0±0.1 | Ф4.0±0.1 | Ф1.0±0.1 |
| Model NO. | Tf (℃) | Fusing-off Temperature (℃) | Th (℃) | Tm(℃) | Ir(A) | Ur(V) | |
| IEC | Corp | ||||||
| BF73 | 73 | 73+0/-10 | 70±2 | 58 | 200 | 10 | 250 |
| BF77 | 77 | 77+0/-10 | 74±2 | 62 | 300 | 10 | 250 |
| BF84 | 84 | 84+0/-10 | 82±2 | 69 | 300 | 10 | 250 |
| BF94 | 94 | 94+0/-10 | 90±2 | 79 | 300 | 10 | 250 |
| BF99 | 99 | 99+0/-10 | 95±2 | 84 | 300 | 10 | 250 |
| BF104 | 104 | 104+0/-10 | 101+2/-3 | 90 | 210 | 10 | 250 |
| BF113 | 113 | 113+0/-10 | 110±2 | 98 | 400 | 10 | 250 |
| BF117 | 117 | 117+0/-10 | 114±2 | 102 | 400 | 10 | 250 |
| BF121 | 121 | 121+0/-10 | 118±2 | 106 | 400 | 10 | 250 |
| BF133 | 133 | 133+0/-10 | 131+2/-3 | 119 | 400 | 10 | 250 |
| BF142 | 142 | 142+0/-10 | 138+2/-3 | 127 | 400 | 10 | 250 |
| BF157 | 157 | 157+0/-10 | 155±2 | 142 | 400 | 10 | 250 |
| BF172 | 172 | 172+0/-10 | 169+2/-3 | 157 | 400 | 10 | 250 |
| BF184 | 184 | 184+0/-10 | 181±2 | 169 | 400 | 10 | 250 |
| BF192 | 192 | 192+0/-10 | 189±2 | 177 | 400 | 10 | 250 |
| BF216 | 216 | 216+0/-10 | 212±2 | 191 | 450 | 10 | 250 |
| BF229 | 229 | 229+0/-10 | 226±2 | 201 | 450 | 10 | 250 |
| BF240 | 240 | 240+0/-10 | 235±3 | 201 | 450 | 10 | 250 |
| BF257 | 257 | 257+0/-10 | 254±2 | 200 | 470 | 10 | 250 |
| Model No. | UL/CUL | VDE | CCC | PSE | KTL |
| BF73 | E140847 | 40005418 | 2003010205052188 | JET0749-32001-1007 | SU05017-11001 |
| BF77 | JET0749-32001-1007 | SU05017-11001 | |||
| BF84 | JET0749-32001-1008 | SU05017-11001 | |||
| BF94 | JET0749-32001-1008 | SU05017-11001 | |||
| BF99 | JET0749-32001-1008 | SU05017-11001 | |||
| BF104 | JET0749-32001-1009 | SU05017-11002 | |||
| BF113 | JET0749-32001-1009 | SU05017-11002 | |||
| BF117 | JET0749-32001-1009 | SU05017-11002 | |||
| BF121 | JET0749-32001-1010 | SU05017-11003 | |||
| BF133 | JET0749-32001-1010 | SU05017-11003 | |||
| BF142 | JET0749-32001-1011 | SU05017-11003 | |||
| BF157 | JET0749-32001-1011 | SU05017-11003 | |||
| BF172 | JET0749-32001-1012 | SU05017-11004 | |||
| BF184 | JET0749-32001-1013 | SU05017-11004 | |||
| BF192 | JET0749-32001-1013 | SU05017-11004 | |||
| BF216 | JET0749-32001-1014 | SU05017-11005 | |||
| BF240 | JET0749-32001-1015 | SU05017-11005 | |||
| BF257 | pending | pending | pending | pending |
BF-I AUPO Thermal Fuse


| Model No | a | b | c | d | e | f |
| BF-I | 20±1.0 | 11±1.0 | 35±1.0 | Ф1.0±0.1 | Ф4.0±0.1 | Ф1.0±0.1 |
| Model NO. | Tf(℃) | Fusing-off Temperature (℃) | Th (℃) | Tm(℃) | Ir(A) | Ur(V) | |
| IEC | Corp | ||||||
| BF73-I | 73 | 63-73 | 70±2 | 58 | 200 | 15 | 125 |
| 16 | |||||||
| BF77-I | 77 | 67-77 | 74±2 | 62 | 300 | 15 | 125 |
| 16 | |||||||
| BF84-I | 84 | 74-84 | 82±2 | 69 | 300 | 15 | 125 |
| 16 | |||||||
| BF94-I | 94 | 84-94 | 90±2 | 79 | 300 | 15 | 125 |
| 16 | |||||||
| BF99-I | 99 | 89-99 | 95±2 | 84 | 300 | 15 | 125 |
| 16 | |||||||
| BF104-I | 104 | 94-104 | 101+2/-3 | 90 | 210 | 15 | 125 |
| 16 | |||||||
| BF113-I | 113 | 103-113 | 110±2 | 98 | 400 | 15 | 125 |
| 16 | |||||||
| BF117-I | 117 | 107-117 | 114±2 | 102 | 400 | 15 | 125 |
| 16 | |||||||
| BF121-I | 121 | 111-121 | 118±2 | 106 | 400 | 15 | 125 |
| 16 | |||||||
| BF133-I | 133 | 123-133 | 131+2/-3 | 119 | 400 | 15 | 125 |
| 16 | |||||||
| BF142-I | 142 | 132-142 | 138+2/-3 | 127 | 400 | 15 | 125 |
| 16 | |||||||
| BF157-I | 157 | 147-157 | 155±2 | 142 | 400 | 15 | 125 |
| 16 | |||||||
| BF172-I | 172 | 162-172 | 169+2/-3 | 157 | 400 | 15 | 125 |
| 16 | |||||||
| BF184-I | 184 | 174-184 | 181±2 | 169 | 400 | 15 | 125 |
| 16 | |||||||
| BF192-I | 192 | 182-192 | 189±2 | 177 | 400 | 15 | 125 |
| 16 | |||||||
| BF216-I | 216 | 206-216 | 212±2 | 191 | 450 | 15 | 125 |
| 16 | |||||||
| BF229-I | 229 | 219-229 | 226±2 | 201 | 450 | 15 | 125 |
| 16 | |||||||
| BF240-I | 240 | 230-240 | 235±3 | 201 | 450 | 15 | 125 |
| 16 | |||||||
| BF257-I | 257 | 247-257 | 254±2 | 200 | 470 | 15 | 125 |
| 16 | |||||||
| Model No. | UL/CUL | PSE |
| BF73-I | E140847 | JET0749-32001-1007 |
| BF77-I | JET0749-32001-1007 | |
| BF84-I | JET0749-32001-1008 | |
| BF94-I | JET0749-32001-1008 | |
| BF99-I | JET0749-32001-1008 | |
| BF104-I | JET0749-32001-1009 | |
| BF113-I | JET0749-32001-1009 | |
| BF117-I | JET0749-32001-1009 | |
| BF121-I | JET0749-32001-1010 | |
| BF133-I | JET0749-32001-1010 | |
| BF142-I | JET0749-32001-1011 | |
| BF157-I | JET0749-32001-1011 | |
| BF172-I | JET0749-32001-1012 | |
| BF184-I | JET0749-32001-1013 | |
| BF192-I | JET0749-32001-1013 | |
| BF216-I | JET0749-32001-1014 | |
| BF229-I | JET0749-32001-1015 | |
| BF240-I | JET0749-32001-1015 | |
| BF257-I | ○ | |
| ○ pending |
BFX AUPO Thermal Fuse


| Model No | a | b | c | d | e | f |
| BFX | 20±1.0 | 11±1.0 | 35±1.0 | Ф1.0±0.1 | Ф4.0±0.1 | Ф1.0±0.1 |
| Model NO. | Tf(℃) | Fusing-off Temperature(℃) | Th(℃) | Tm(℃) | Ir(A) | Ur(V) | |
| IEC | Corp | ||||||
| BF73X | 73 | 73+0/-10 | 70±2 | 58 | 200 | 16 | 250 |
| BF77X | 77 | 77+0/-10 | 74±2 | 62 | 300 | 16 | 250 |
| BF84X | 84 | 84+0/-10 | 82±2 | 69 | 300 | 16 | 250 |
| BF94X | 94 | 94+0/-10 | 90±2 | 79 | 300 | 16 | 250 |
| BF99X | 99 | 99+0/-10 | 95±2 | 84 | 300 | 16 | 250 |
| BF104X | 104 | 104+0/-10 | 101+2/-3 | 90 | 210 | 16 | 250 |
| BF113X | 113 | 113+0/-10 | 110±2 | 98 | 400 | 16 | 250 |
| BF117X | 117 | 117+0/-10 | 114±2 | 102 | 400 | 16 | 250 |
| BF121X | 121 | 121+0/-10 | 118±2 | 106 | 400 | 16 | 250 |
| BF133X | 133 | 133+0/-10 | 131+2/-3 | 119 | 400 | 16 | 250 |
| BF142X | 142 | 142+0/-10 | 138+2/-3 | 127 | 400 | 16 | 250 |
| BF157X | 157 | 157+0/-10 | 155±2 | 142 | 400 | 16 | 250 |
| BF172X | 172 | 172+0/-10 | 169+2/-3 | 157 | 400 | 16 | 250 |
| BF184X | 184 | 184+0/-10 | 181±2 | 169 | 400 | 16 | 250 |
| BF192X | 192 | 192+0/-10 | 189±2 | 177 | 400 | 16 | 250 |
| BF216X | 216 | 216+0/-10 | 212±2 | 191 | 450 | 16 | 250 |
| BF229X | 229 | 229+0/-10 | 226±2 | 201 | 450 | 16 | 250 |
| BF240X | 240 | 240+0/-10 | 235±3 | 201 | 450 | 16 | 250 |
| BF257X | 257 | 257+0/-10 | 254±2 | 200 | 470 | 16 | 250 |
| Model No. | UL/CUL | VDE | CCC |
| BF73X | E140847 | 40005418 | 2003010205052188 |
| BF77X | |||
| BF84X | |||
| BF94X | |||
| BF99X | |||
| BF104X | |||
| BF113X | |||
| BF117X | |||
| BF121X | |||
| BF133X | |||
| BF142X | |||
| BF157X | |||
| BF172X | |||
| BF184X | |||
| BF192X | |||
| BF216X | |||
| BF229X | |||
| BF240X | |||
| BF257X | ○ | ○ | |
| ○ pending |
RY AUPO Thermal Fuse


| Model No | a | b | c | d | e | f |
| RY | 20±1.0 | 11±1.0 | 35±1.0 | Ф1.0±0.1 | Ф4.0±0.1 | Ф1.0±0.1 |
| Model NO. | Tf(℃) | Fusing-offTemperature (℃) | Tm(℃) | Tm(℃) | Ir(A) | Ur(V) |
| RY73 | 73 | 73+0/-10 | 45 | 150 | 10 | 250 |
| RY77 | 77 | 77+0/-10 | 51 | 150 | 10 | 250 |
| RY84 | 84 | 84+0/-10 | 58 | 150 | 10 | 250 |
| RY94 | 94 | 94+0/-10 | 66 | 150 | 10 | 250 |
| RY99 | 99 | 99+0/-10 | 71 | 150 | 10 | 250 |
| RY104 | 104 | 104+0/-10 | 79 | 150 | 10 | 250 |
| RY113 | 113 | 113+0/-10 | 84 | 150 | 10 | 250 |
| RY117 | 117 | 117+0/-10 | 92 | 160 | 10 | 250 |
| RY121 | 121 | 121+0/-10 | 94 | 160 | 10 | 250 |
| RY133 | 133 | 133+0/-10 | 104 | 160 | 10 | 250 |
| RY142 | 142 | 142+0/-10 | 114 | 160 | 10 | 250 |
| RY157 | 157 | 157+0/-10 | 127 | 172 | 10 | 250 |
| RY172 | 172 | 172+0/-10 | 144 | 189 | 10 | 250 |
| RY184 | 184 | 184+0/-10 | 159 | 210 | 10 | 250 |
| RY192 | 192 | 192+0/-10 | 170 | 250 | 10 | 250 |
| RY216 | 216 | 216+0/-10 | 191 | 280 | 10 | 250 |
| RY229 | 229 | 229+0/-10 | 200 | 250 | 10 | 250 |
| RY240 | 240 | 240+0/-10 | 200 | 300 | 10 | 250 |
| RY257 | 257 | 257+0/-10 | 200 | 450 | 10 | 250 |
| Model No. | VDE | CCC |
| RY73 | 40005418 | 2003010205052188 |
| RY77 | ||
| RY84 | ||
| RY94 | ||
| RY99 | ||
| RY104 | ||
| RY113 | ||
| RY117 | ||
| RY121 | ||
| RY133 | ||
| RY142 | ||
| RY157 | ||
| RY172 | ||
| RY184 | ||
| RY192 | ||
| RY216 | ||
| RY240 | ||
| RY257 | ○ | ○ |
|
|
| ○ pending |
Contact Details:
Andy Wu
Email: andy@tianrui-fuse.com.cn
MP/Whatsapp: +86 13532772961
Wechat: HFeng0805
Skype: andywutechrich
QQ: 969828363
|
|
AUPO 10A 15A 16A 250V Thermal Cutoff Fuses Non Resettable Metal Case Images |